ระบบอิเล็กโทรไลต์แบบขจัดการดูดซึมคืออะไร และเหตุใดจึงจำเป็นสำหรับการสกัดทองคำสมัยใหม่

ที่ระบบอิเล็กโทรไลต์การดูดซับเป็นเทคโนโลยีที่สำคัญในการสกัดทองคำสมัยใหม่ โดยเฉพาะอย่างยิ่งในกระบวนการคาร์บอนในเยื่อกระดาษ (CIP) และคาร์บอนในการชะล้าง (CIL) บล็อกนี้จะสำรวจว่าระบบทำงานอย่างไร ส่วนประกอบ ข้อดี และเหตุใดระบบจึงกลายเป็นมาตรฐานในการนำทองคำกลับมาใช้ใหม่อย่างมีประสิทธิภาพ นอกจากนี้เรายังเน้นย้ำว่าบริษัทต่างๆ ชอบอย่างไรมหากาพย์กำลังขับเคลื่อนนวัตกรรมในด้านนี้ ในตอนท้าย คุณจะมีความเข้าใจอย่างครอบคลุมว่าระบบนี้ช่วยเพิ่มผลผลิต ลดต้นทุน และปรับปรุงอัตราการฟื้นตัวได้อย่างไร

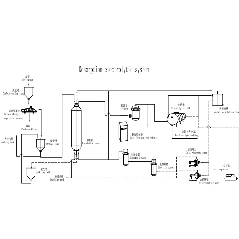
Desorption Electrolytic System

สารบัญ


ระบบอิเล็กโทรไลต์แบบดูดซับคืออะไร

A ระบบอิเล็กโทรไลต์การดูดซับเป็นระบบการนำทองคำกลับคืนขั้นสูงที่ใช้ในการสกัดทองคำจากถ่านกัมมันต์ มีการใช้กันอย่างแพร่หลายในการขุดโดยที่ทองคำถูกดูดซับเข้าสู่อนุภาคคาร์บอนในระหว่างกระบวนการชะล้าง

  • การดูดซับ: ขจัดทองคำออกจากคาร์บอนโดยใช้สารละลายอุณหภูมิสูงและแรงดันสูง
  • อิเล็กโทรไลซิส: นำทองคำจากสารละลายกลับคืนสู่แคโทด
  • ระบบวงปิด: รับประกันประสิทธิภาพและการสูญเสียน้อยที่สุด

ระบบนี้จำเป็นสำหรับการปรับปรุงประสิทธิภาพการนำกลับคืนและลดต้นทุนการดำเนินงาน ทำให้เป็นองค์ประกอบหลักในโรงงานแปรรูปทองคำสมัยใหม่


ระบบอิเล็กโทรไลต์แบบสลายการดูดซับทำงานอย่างไร

หลักการทำงานของกระบบอิเล็กโทรไลต์การดูดซับเกี่ยวข้องกับสองขั้นตอนหลัก:

  1. ขั้นตอนการสลาย:คาร์บอนที่เติมทองคำจะได้รับการบำบัดด้วยสารละลายอัลคาไลน์ไซยาไนด์ร้อน ซึ่งจะปล่อยไอออนทองคำออกมา
  2. ระยะอิเล็กโทรลิซิส:สารละลายที่อุดมด้วยทองคำจะผ่านเซลล์อิเล็กโทรไลต์ซึ่งทองคำจะสะสมบนแคโทดฝอยเหล็ก

กระบวนการนี้รับประกันประสิทธิภาพสูงและช่วยให้สามารถดำเนินการได้อย่างต่อเนื่อง ซึ่งเป็นเหตุผลว่าทำไมระบบจากบริษัทต่างๆ ถึงชอบมหากาพย์ถูกนำมาใช้กันอย่างแพร่หลายในงานอุตสาหกรรม


ส่วนประกอบหลักของระบบ

ส่วนประกอบ การทำงาน
คอลัมน์การดูดซับ ยึดถ่านกัมมันต์และอำนวยความสะดวกในการกำจัดทองคำ
เซลล์อิเล็กโทรไลต์ กู้คืนทองคำด้วยกระแสไฟฟ้า
เครื่องแลกเปลี่ยนความร้อน รักษาอุณหภูมิที่ต้องการ
ระบบกรอง ขจัดสิ่งสกปรกออกจากสารละลาย
ระบบควบคุม ดำเนินการอัตโนมัติและตรวจสอบพารามิเตอร์

แต่ละส่วนประกอบมีบทบาทสำคัญในการทำให้แน่ใจว่าระบบทำงานได้อย่างมีประสิทธิภาพและสม่ำเสมอ


ข้อดีและคุณสมบัติทางเทคนิค

  • อัตราการคืนทองสูง (สูงถึง 98%)
  • การใช้พลังงานต่ำ
  • การดำเนินการอัตโนมัติเพื่อลดต้นทุนแรงงาน
  • การออกแบบที่กะทัดรัดเพื่อประสิทธิภาพพื้นที่
  • เป็นมิตรกับสิ่งแวดล้อมและมีการปล่อยมลพิษน้อยที่สุด

ผู้ผลิตชอบมหากาพย์เพิ่มประสิทธิภาพระบบเหล่านี้อย่างต่อเนื่องเพื่อตอบสนองความต้องการของอุตสาหกรรมที่เปลี่ยนแปลงไป ทำให้มั่นใจได้ถึงประสิทธิภาพและความน่าเชื่อถือที่ดีขึ้น


การใช้งานในกระบวนการแปรรูปทองคำ

ที่ระบบอิเล็กโทรไลต์การดูดซับใช้กันอย่างแพร่หลายใน:

  • โรงงานขุดทอง
  • การดำเนินงาน CIP (คาร์บอนในเยื่อกระดาษ)
  • กระบวนการ CIL (คาร์บอนในการชะล้าง)
  • การกู้คืนหางทองคำ

ความอเนกประสงค์ทำให้เหมาะสำหรับทั้งการทำเหมืองแร่อุตสาหกรรมขนาดใหญ่และการดำเนินงานขนาดเล็กที่ต้องการการปรับปรุงประสิทธิภาพ


เปรียบเทียบกับวิธีการแบบดั้งเดิม

คุณสมบัติ ระบบอิเล็กโทรไลต์การดูดซับ วิธีการแบบดั้งเดิม
ประสิทธิภาพ สูง ปานกลาง
ระบบอัตโนมัติ อัตโนมัติเต็มรูปแบบ ด้วยตนเองหรือกึ่งอัตโนมัติ
ค่าใช้จ่าย ลดต้นทุนระยะยาว ต้นทุนการดำเนินงานที่สูงขึ้น
ผลกระทบต่อสิ่งแวดล้อม ต่ำ สูงกว่า

เห็นได้ชัดว่าระบบสมัยใหม่มีข้อได้เปรียบเหนือเทคนิคการนำทองคำกลับคืนมาแบบดั้งเดิม


คู่มือการเลือกสำหรับผู้ซื้อ

เมื่อเลือกกระบบอิเล็กโทรไลต์การดูดซับให้พิจารณาปัจจัยต่อไปนี้:

  • ความสามารถในการประมวลผล
  • ระดับอัตโนมัติ
  • ประสิทธิภาพการใช้พลังงาน
  • ชื่อเสียงของผู้ผลิต (เช่น EPIC)
  • การสนับสนุนหลังการขาย

การเลือกระบบที่เหมาะสมช่วยให้มั่นใจในความสำเร็จในการดำเนินงานในระยะยาวและเพิ่มผลตอบแทนจากการลงทุนสูงสุด


คำแนะนำในการบำรุงรักษาและการปฏิบัติงาน

  • ตรวจสอบท่อและวาล์วอย่างสม่ำเสมอ
  • ตรวจสอบอุณหภูมิและระดับความดัน
  • ทำความสะอาดเซลล์อิเล็กโทรไลต์เป็นระยะ
  • เปลี่ยนส่วนประกอบที่ชำรุดทันที
  • ปฏิบัติตามแนวทางของผู้ผลิตอย่างเคร่งครัด

การบำรุงรักษาที่เหมาะสมจะช่วยยืดอายุการใช้งานของระบบได้อย่างมาก และรับประกันประสิทธิภาพที่สม่ำเสมอ


คำถามที่พบบ่อย

1. จุดประสงค์หลักของระบบอิเล็กโทรไลต์แบบดีดูดซับคืออะไร

วัตถุประสงค์หลักคือการสกัดและนำทองคำออกจากถ่านกัมมันต์อย่างมีประสิทธิภาพ

2. ระบบมีประสิทธิภาพแค่ไหน?

ระบบส่วนใหญ่มีอัตราการนำทองคำกลับมาใช้ใหม่ได้มากกว่า 95% ขึ้นอยู่กับสภาพการทำงาน

3. ระบบเป็นมิตรต่อสิ่งแวดล้อมหรือไม่?

ใช่ ระบบที่ทันสมัยได้รับการออกแบบมาเพื่อลดการปล่อยก๊าซเรือนกระจกและลดของเสียจากสารเคมี

4. สามารถปรับแต่งได้หรือไม่?

ใช่ บริษัทอย่าง EPIC เสนอโซลูชันที่ปรับแต่งได้ตามความต้องการในการประมวลผล

5. อุตสาหกรรมใดบ้างที่ใช้ระบบนี้?

โดยหลักแล้วคืออุตสาหกรรมเหมืองแร่ทองคำ แต่ยังรวมถึงการใช้งานในการกู้คืนโลหะมีค่าด้วย


บทสรุป

ที่ระบบอิเล็กโทรไลต์การดูดซับแสดงถึงความก้าวหน้าทางเทคโนโลยีการนำทองคำกลับมาใช้ใหม่ โดยนำเสนอประสิทธิภาพ ความน่าเชื่อถือ และประสิทธิภาพด้านสิ่งแวดล้อมที่ไม่มีใครเทียบได้ ด้วยความก้าวหน้าอย่างต่อเนื่องจากผู้นำอุตสาหกรรมอย่างมหากาพย์ระบบนี้มีความสำคัญมากขึ้นสำหรับการทำเหมืองสมัยใหม่ หากคุณกำลังมองหาวิธีเพิ่มประสิทธิภาพกระบวนการสกัดทองคำและเพิ่มผลกำไร การลงทุนในระบบคุณภาพสูงถือเป็นทางเลือกที่ชาญฉลาดติดต่อเราวันนี้เพื่อเรียนรู้เพิ่มเติมเกี่ยวกับวิธีที่เราสามารถจัดหาโซลูชันที่ปรับให้เหมาะกับความต้องการของคุณ

ส่งคำถาม

X
เราใช้คุกกี้เพื่อมอบประสบการณ์การท่องเว็บที่ดีขึ้น วิเคราะห์การเข้าชมไซต์ และปรับแต่งเนื้อหาในแบบของคุณ การใช้ไซต์นี้แสดงว่าคุณยอมรับการใช้คุกกี้ของเรา นโยบายความเป็นส่วนตัว